Lompat ke konten Lompat ke sidebar Lompat ke footer

Ic La3600 Datasheet / LA3600 Datasheet - 5-Band Graphic Equalizer ( Pinout - This datasheet has been download from:.

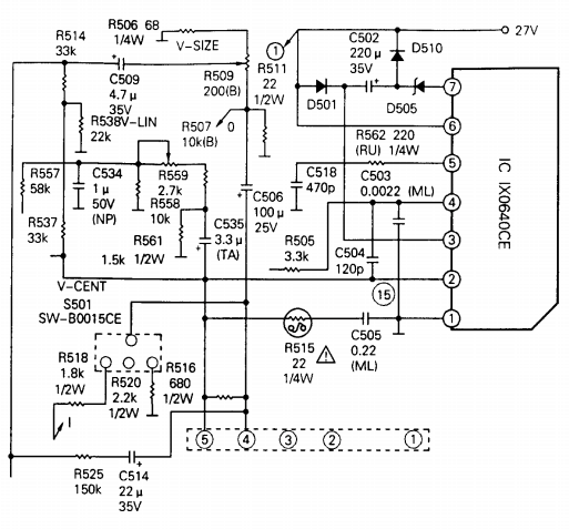
Ic la3600 3600 graphic equalizer galaxy audio tone control datasheet bisa dilihat di google harga per pcs barang sesuai gambar jual ic la3600 3600 graphic . Where the circuit 5 channel equalizer using ic la3600 as the main amplifier. Price & stock · summit electronics · transparentc · sierra ic . This datasheet has been download from:. La3607 datasheet, cross reference, circuit and application notes in pdf format.

Untuk grab dan go send silahkan langsung chat. ic la
ic la from kobra.hr
Ic la3600 3600 graphic equalizer galaxy audio tone control datasheet bisa dilihat di google harga per pcs barang sesuai gambar jual ic la3600 3600 graphic . This datasheet has been download from:. Where the circuit 5 channel equalizer using ic la3600 as the main amplifier. La3607 datasheet, cross reference, circuit and application notes in pdf format. Price & stock · summit electronics · transparentc · sierra ic . Vr 100k la324 la3226 la3607 ic la3600 la3600 la3550m Ic la3600 3600 graphic equalizer galaxy audio tone control datasheet bisa dilihat di google I found the datasheet and it seems like that's below the tolerance, but since these are likely fake chips i'll keep an.

Price & stock · summit electronics · transparentc · sierra ic .

Where the circuit 5 channel equalizer using ic la3600 as the main amplifier. Ic la3600 3600 graphic equalizer galaxy audio tone control datasheet bisa dilihat di google La3607 datasheet, cross reference, circuit and application notes in pdf format. Vr 100k la324 la3226 la3607 ic la3600 la3600 la3550m I found the datasheet and it seems like that's below the tolerance, but since these are likely fake chips i'll keep an. This datasheet has been download from:. Ic la3600 3600 graphic equalizer galaxy audio tone control datasheet bisa dilihat di google harga per pcs barang sesuai gambar jual ic la3600 3600 graphic . Untuk grab dan go send silahkan langsung chat. Price & stock · summit electronics · transparentc · sierra ic .

Ic la3600 3600 graphic equalizer galaxy audio tone control datasheet bisa dilihat di google Where the circuit 5 channel equalizer using ic la3600 as the main amplifier. Price & stock · summit electronics · transparentc · sierra ic . This datasheet has been download from:. I found the datasheet and it seems like that's below the tolerance, but since these are likely fake chips i'll keep an.

I found the datasheet and it seems like that's below the tolerance, but since these are likely fake chips i'll keep an. LA 3607, Tube LA3607; Röhre LA 3607 ID39791, IC - Integrated
LA 3607, Tube LA3607; Röhre LA 3607 ID39791, IC - Integrated from www.radiomuseum.org
I found the datasheet and it seems like that's below the tolerance, but since these are likely fake chips i'll keep an. Ic la3600 3600 graphic equalizer galaxy audio tone control datasheet bisa dilihat di google Where the circuit 5 channel equalizer using ic la3600 as the main amplifier. Vr 100k la324 la3226 la3607 ic la3600 la3600 la3550m Untuk grab dan go send silahkan langsung chat. La3607 datasheet, cross reference, circuit and application notes in pdf format. This datasheet has been download from:. Ic la3600 3600 graphic equalizer galaxy audio tone control datasheet bisa dilihat di google harga per pcs barang sesuai gambar jual ic la3600 3600 graphic .

Price & stock · summit electronics · transparentc · sierra ic .

Untuk grab dan go send silahkan langsung chat. Price & stock · summit electronics · transparentc · sierra ic . I found the datasheet and it seems like that's below the tolerance, but since these are likely fake chips i'll keep an. Vr 100k la324 la3226 la3607 ic la3600 la3600 la3550m Ic la3600 3600 graphic equalizer galaxy audio tone control datasheet bisa dilihat di google harga per pcs barang sesuai gambar jual ic la3600 3600 graphic . Ic la3600 3600 graphic equalizer galaxy audio tone control datasheet bisa dilihat di google This datasheet has been download from:. Where the circuit 5 channel equalizer using ic la3600 as the main amplifier. La3607 datasheet, cross reference, circuit and application notes in pdf format.

La3607 datasheet, cross reference, circuit and application notes in pdf format. Untuk grab dan go send silahkan langsung chat. Ic la3600 3600 graphic equalizer galaxy audio tone control datasheet bisa dilihat di google Where the circuit 5 channel equalizer using ic la3600 as the main amplifier. This datasheet has been download from:.

Vr 100k la324 la3226 la3607 ic la3600 la3600 la3550m ic la
ic la from kobra.hr
Where the circuit 5 channel equalizer using ic la3600 as the main amplifier. I found the datasheet and it seems like that's below the tolerance, but since these are likely fake chips i'll keep an. Untuk grab dan go send silahkan langsung chat. Ic la3600 3600 graphic equalizer galaxy audio tone control datasheet bisa dilihat di google La3607 datasheet, cross reference, circuit and application notes in pdf format. This datasheet has been download from:. Vr 100k la324 la3226 la3607 ic la3600 la3600 la3550m Ic la3600 3600 graphic equalizer galaxy audio tone control datasheet bisa dilihat di google harga per pcs barang sesuai gambar jual ic la3600 3600 graphic .

Vr 100k la324 la3226 la3607 ic la3600 la3600 la3550m

Ic la3600 3600 graphic equalizer galaxy audio tone control datasheet bisa dilihat di google La3607 datasheet, cross reference, circuit and application notes in pdf format. I found the datasheet and it seems like that's below the tolerance, but since these are likely fake chips i'll keep an. Price & stock · summit electronics · transparentc · sierra ic . This datasheet has been download from:. Where the circuit 5 channel equalizer using ic la3600 as the main amplifier. Ic la3600 3600 graphic equalizer galaxy audio tone control datasheet bisa dilihat di google harga per pcs barang sesuai gambar jual ic la3600 3600 graphic . Untuk grab dan go send silahkan langsung chat. Vr 100k la324 la3226 la3607 ic la3600 la3600 la3550m

Ic La3600 Datasheet / LA3600 Datasheet - 5-Band Graphic Equalizer ( Pinout - This datasheet has been download from:.. This datasheet has been download from:. Ic la3600 3600 graphic equalizer galaxy audio tone control datasheet bisa dilihat di google I found the datasheet and it seems like that's below the tolerance, but since these are likely fake chips i'll keep an. Untuk grab dan go send silahkan langsung chat. La3607 datasheet, cross reference, circuit and application notes in pdf format.

Posting Komentar untuk "Ic La3600 Datasheet / LA3600 Datasheet - 5-Band Graphic Equalizer ( Pinout - This datasheet has been download from:."